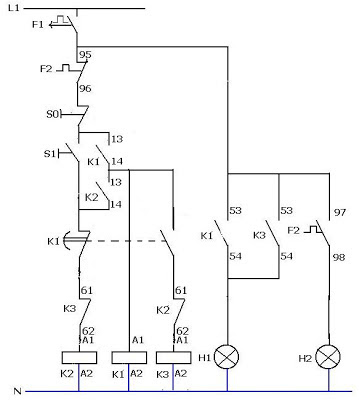
Rangkaian Kontrol Motor Star Delta Otomatis Dengan Timer Blog

Rangkaian Kontrol Motor Star Delta Otomatis Dengan Timer Blog

Rangkaian Star Delta Dengan Switch Manual Auto Pada Motor 3 Fasa

Rangkaian Star Delta Dengan Switch Manual Auto Pada Motor 3 Fasa

Stroom Area Star Delta Otomatis

Stroom Area Star Delta Otomatis

Rangkaian Star Delta Motor Listrik 3 Fasa Menggunakan Plc

Rangkaian Star Delta Motor Listrik 3 Fasa Menggunakan Plc

Contoh Soal Dan Contoh Pidato Lengkap Gambar Rangkaian Star

Contoh Soal Dan Contoh Pidato Lengkap Gambar Rangkaian Star

Contoh Soal Dan Contoh Pidato Lengkap Gambar Rangkaian Kontrol

Contoh Soal Dan Contoh Pidato Lengkap Gambar Rangkaian Kontrol

Contoh Soal Dan Contoh Pidato Lengkap Gambar Rangkaian Kontrol

Wiring Diagram Rangkaian Star Delta

Wiring Diagram Rangkaian Star Delta

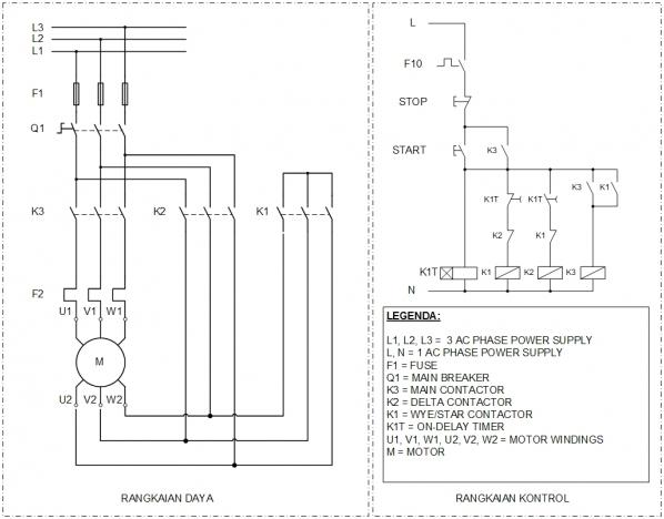
Rangkaian Daya Dan Kontrol Star Delta Youtube

Rangkaian Daya Dan Kontrol Star Delta Youtube

Contoh Soal Dan Contoh Pidato Lengkap Gambar Rangkaian Motor 3 Fasa

Contoh Soal Dan Contoh Pidato Lengkap Gambar Rangkaian Motor 3 Fasa

Motor Listrik 3 Fasa Forward Reverse Listrik Praktis

Motor Listrik 3 Fasa Forward Reverse Listrik Praktis

Rangkaian Dol Motor Listrik 3 Fasa Listrik Praktis

Rangkaian Dol Motor Listrik 3 Fasa Listrik Praktis

Obil Parulian Siregar Jobsheet Teknik Listrik Smk Bukit Asam

Obil Parulian Siregar Jobsheet Teknik Listrik Smk Bukit Asam

Merakit Rangkaian Kontrol Star Delta Part 1 Youtube

Merakit Rangkaian Kontrol Star Delta Part 1 Youtube

Jalan Yang Lurus Prinsip Kerja Rangkaian Star Delta Motor Induksi

Jalan Yang Lurus Prinsip Kerja Rangkaian Star Delta Motor Induksi

Contoh Soal Dan Contoh Pidato Lengkap Gambar Rangkaian Forward

Contoh Soal Dan Contoh Pidato Lengkap Gambar Rangkaian Forward

Koneksi Kabel Rangkaian Level Switch Relay

Koneksi Kabel Rangkaian Level Switch Relay

Rangkaian Panel Listrik Kontrol Utama Rangkaian Interlock 2

Rangkaian Panel Listrik Kontrol Utama Rangkaian Interlock 2

Cara Memahami Rangkaian Kontrol Star Delta Otomatis Sederhana

Cara Memahami Rangkaian Kontrol Star Delta Otomatis Sederhana

The1uploader The1uploader Page 7

The1uploader The1uploader Page 7

Rangkaian Daya Dan Kontrol Motor Bolak Balik Bergantian Youtube

Rangkaian Daya Dan Kontrol Motor Bolak Balik Bergantian Youtube

Top 8 Most Popular Mazda Air Bag Emulator Ideas And Get Free

Top 8 Most Popular Mazda Air Bag Emulator Ideas And Get Free

Source : pinterest.com